Fortsæt til hovedindhold
Søg
Reklame
Renovering & Byggeri
Startside
Renovering & Byggeri
X16 flow
X16 flow
Reklame
Reklame
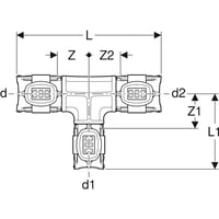
Geberit FlowFit T-stykke, 25x16x25mm, PPSU, sort
97 kr.
på Wattoo
Se i butik
Søg